Mecha Elephant
/
schlib_browser
/
ttl_ieee
Home
/schlib_wizard
/schlib_browser
/grb_png
/gbl_ngc
/ngc_view
/name-dread
/feed
/microgrant
/notenox
/noixer
/tarot
/whatisthislicense
projects
nymlist
mechaesthetic
dev blog
Info
abetusk
@gmail.com
github
Unless stated otherwise,
all code is under GPLv3
all else under CC-BY-SA
KiCAD EESchema Library Browser
74xgxx
74xx
ac-dc
adc-dac
analog_switches
atmel
audio
brooktre
cmos4000
cmos_ieee
conn
contrib
cypress
dc-dc
device
digital-audio
display
dsp
elec-unifil
ftdi
gennum
graphic
intel
interface
linear
logo
memory
microchip1
microchip
microchip_pic10mcu
microchip_pic12mcu
microchip_pic16mcu
microcontrollers
motorola
msp430
nxp_armmcu
opto
philips
powerint
power
pspice
references
regul
relays
sensors
siliconi
special
stm32
stm8
supertex
texas
transf
transistors
ttl_ieee
valves
video
xilinx
74LS468
7410
74LS466
74HC808
74LS621
74LS398
7493
74S140
74LS280
7446
74LS368
74425
7404
74166
74LS177
7420
7437
74LS139
74LS49
74LS687
74LS138
74LS194
7495
74LS599
7444
74LS241
74LS239
74165
74LS195
74HC805
74LS133
74LS283
7428
74278
74LS353
74LS240
74HC832
7401
74147
74LS445
74LS290
74LS670
74128
74132
74LS257
74LS15
74LS266
74LS399
7406
74LS137
74LS541
74HC237
74LS683
74141
74LS56
7402
74LS298
7414
74176
7483
74LS396
7442
7490
74157
7448
7412
74293
74153
74LS299
74LS152
74LS465
74HC36
7426
74251
7486
74136
7427
74LS192
74LS688
74155
7492
74151
7407
74126
74164
74253
7425
74LS622
74LS638
74LS595
74LS366
74LS295
74LS161
74LS367
74173
74156
7408
74LS245
7430
7445
74LS352
74LS623
7440
74LS540
74LS594
7421
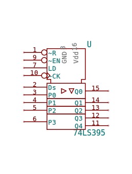
74LS395
74148
74LS591
74LS365
7433
7422
7454
7485
74LS686
74LS386
74LS682
74LS620
74LS55
7405
7443
7411
74LS596
74HC804
74LS689
7496
7413
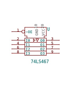
74LS467
74LS168
74LS170
74LS242
7409
74LS243
74LS590
74LS190
7432
7491
74158
74159
74HC238
74LS258
7451
74LS390
74LS348
7400
74154
74LS597